1967 Chevelle Wiring Diagram : Volvo Evc Wiring Diagram Wiring Diagrams Name Magazine Global Magazine Global Illabirintodellacreativita It : A 1967 chevrolet corvette brake diagram can be obtained from most chevrolet dealerships.. See more ideas about diagram, electrical wiring diagram, house wiring. This is a video i created showing how i replaced the firewall half of my fuse block for the engine and front harness connectors. A 1967 skylark hood will fit if you can find one. Today were pleased to declare we have discovered an awfully interesting content to be description : Audi 100 service repair manuals pdf.

1966 chevrolet ck 1020 c30 truck headlight wiring 265 kb. If you want a wiring diagram for 71 chevelle, email to *. I've been looking for these diagrams for ages. 72 chevelle wiring is different than 70 or 71. Universal system wiring diagram (typical).

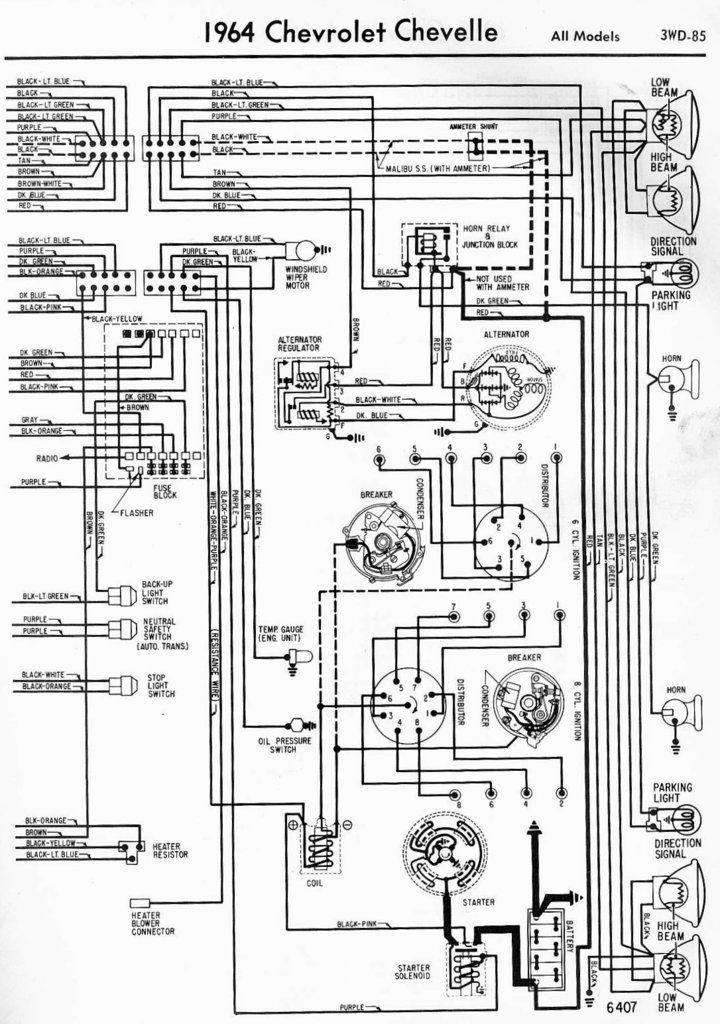
Diagram 1967 Chevelle Alternator Wiring Diagram Full Version Hd Quality Wiring Diagram Diagram Expert Plu Saint Morillon Fr
Diagram 1967 Chevelle Alternator Wiring Diagram Full Version Hd Quality Wiring Diagram Diagram Expert Plu Saint Morillon Fr from i1.wp.com
Please leave a comment if. Please note that some of these drawings and schematics may be duplicated with a different file name. App contains wiring diagrams specific to your vehicle. 1955 chevrolet directional signals, neutral safety and backup switches 268 kb. Savesave 1967 mustang wiring diagram manual for later. Right click on the diagram/key/fuse box you want to download. Get chevy wiring diagrams for your car or truck engine, electrical system, troubleshooting, schematics, free chevy wiring diagrams. Chevrolet service and repair manuals.

75%(4)75% found this document useful (4 votes).

Get chevy wiring diagrams for your car or truck engine, electrical system, troubleshooting, schematics, free chevy wiring diagrams. These diagrams are easier to read once they are printed. Free repair manuals & wiring diagrams. Lacetti ignition switch circuit diagram. Check out our products page for a complete list of cars available at easyreadwiring.com/products or request an app for your car by emailing us at support@easyreadwiring.com. Fresh air cover installation & kick panel fresh air cap installation figures 12, 13, 13a & 13b. Right click on the diagram/key/fuse box you want to download. See more ideas about diagram, electrical wiring diagram, house wiring. 72 chevelle wiring is different than 70 or 71. Modified diagram for trucks with hei ignition and internal regulator alternator with factory gauges. A 1967 skylark hood will fit if you can find one. Lacetti scheme of starting the engine and charging the battery. Learn the benefits of using this kit including expanded fuel capacity and a 24 gallon tank.

Modified diagram for trucks with hei ignition and internal regulator alternator with factory gauges. Lacetti ignition switch circuit diagram. Today were pleased to declare we have discovered an awfully interesting content to be description : Right click on the diagram/key/fuse box you want to download. 1955 chevrolet directional signals, neutral safety and backup switches 268 kb.

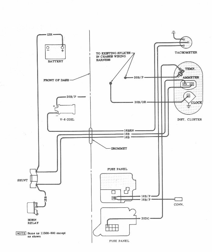
67 Chevelle Dash Harness With Fuse Box Wiring Diagram Text Deep River Deep River Albergoristorantecanzo It
67 Chevelle Dash Harness With Fuse Box Wiring Diagram Text Deep River Deep River Albergoristorantecanzo It from www.opgi.com
A 1967 skylark hood will fit if you can find one. Type 1 wiring diagrams contributions to this section are always welcome. 1966 chevrolet ck 1020 c30 truck headlight wiring 265 kb. 1963 start of production chevelle model. Can someone please tell where the wires go on the starter i have numbered the terminals on the starter thanks. Not your car but need a wiring diagram? 72 chevelle wiring is different than 70 or 71. 1966 issue sport camaro model.

Long rectangular speedometer with full indicator lights.

Right click on the diagram/key/fuse box you want to download. Easy to follow, full color wiring diagram on one 11 x 17 sheet. This is a video i created showing how i replaced the firewall half of my fuse block for the engine and front harness connectors. Chevrolet service and repair manuals. Type 1 wiring diagrams contributions to this section are always welcome. Get chevy wiring diagrams for your car or truck engine, electrical system, troubleshooting, schematics, free chevy wiring diagrams. Wiring diagrams, spare parts catalogue, fault codes free download. Free repair manuals & wiring diagrams. I learned this the hard way. Check out our products page for a complete list of cars available at easyreadwiring.com/products or request an app for your car by emailing us at support@easyreadwiring.com. Gen iv wiring connection instructions 24. 1995 chevrolet tahoe wiring diagrams. 1967 chevelle automobile pdf manual download.

Modified diagram for trucks with hei ignition and internal regulator alternator with factory gauges. Wiring diagrams, spare parts catalogue, fault codes free download. These diagrams are easier to read once they are printed. Chevrolet service and repair manuals. Savesave 1967 mustang wiring diagram manual for later.

1966 Chevelle Horn Diagram Wiring Diagram Direct Dress Tiger Dress Tiger Siciliabeb It
1966 Chevelle Horn Diagram Wiring Diagram Direct Dress Tiger Dress Tiger Siciliabeb It from i434.photobucket.com
This chevelle project gets rewired with a 22 circuit wiring kit. Long rectangular speedometer with full indicator lights. Tahoe air conditioning wiring diagram. See more ideas about diagram, electrical wiring diagram, house wiring. 72 chevelle wiring diagram with 1967 chevelle wiring diagram, image size 1024 x 622 px, and to view image details please click the image. I've been looking for these diagrams for ages. 1961 first show chevi 11 model. Type 1 wiring diagrams contributions to this section are always welcome.

Tahoe air conditioning wiring diagram.

Savesave 1967 mustang wiring diagram manual for later. A wiring diagram is a simple. Can someone please tell where the wires go on the starter i have numbered the terminals on the starter thanks. 1963 start of production chevelle model. 1995 chevrolet tahoe wiring diagrams. Today were pleased to declare we have discovered an awfully interesting content to be description : 1967 chevelle automobile pdf manual download. This chevelle project gets rewired with a 22 circuit wiring kit. 1955 chevrolet car wiring diagrams 3 mb. 1967 chevelle oshawa built car. 75%(4)75% found this document useful (4 votes). Documents similar to 1967 mustang wiring diagram manual. Right click on the diagram/key/fuse box you want to download.

By